
2月7日據路透社報道,歐洲芯片制造商ST意法半導體和芯片設計軟件制造商Synopsys新思表示,ST首次使用在微軟云上運···
2023-05-23

2023年2月20日,國民技術在深圳正式推出兼具通用性、硬件安全性和車規級高可靠性等優勢特性的N32A455系列車規級M···
2023-05-23

近日據日經新聞報道,德州儀器(TI)日本負責人Samuel Vicari日前接受專訪透露,將擴大在日氮化鎵晶圓產能。圖:···
2023-05-23

近日據eeNews報道,安森美正式收購格芯位于美國紐約州的12英寸晶圓廠,原上千名員工已過渡到安森美。圖:剪彩儀式公開資···
2023-05-23

4月12日,業界領先的半導體器件供應商兆易創新GigaDevice(股票代碼603986)宣布,旗下車規級GD25/55···
2023-05-23

MDD推出MOSFET系列產品,助力汽車電子等行業發展芯片公司:辰達行(MDD)發布時間:2023-05-18方案介紹摘···
2023-05-23

概述相較于傳統直流有刷電機的電刷因長期磨損的關系需要一直保養維護,直流無刷電機不使 用基于電刷的機械式換相,而是采用電子···
2023-05-23

一、概述水泵電機是水泵的重要驅動部件,用電機驅動水泵作業機是一個全體系統。作業機功率的高低,將直接影響電動機耗電的多少。···
2023-05-23

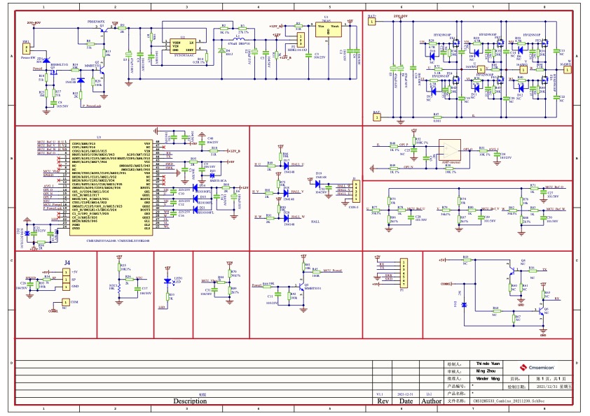
一、概述CMS32M5533L048園林工具方案使用了中微CMS32M55XX系列MCU,相關方案資料、原理圖、BOML···
2023-05-23

1. 概述本方案采用極具性價比的32位MCU芯片CMS32M5533為主控,為驅動算法運行、速度提升及轉矩調節精度提供保···
2023-05-23
深圳市禾瑞智電子有限公司是一家擁有多年半導體、集成電路等元器件分銷商,公司主營:TI、ADI、ST、ON、NXP、CJ、LRC、Yageo、Samsung、muRata、AVX、REALTEK等知名品牌,產品廣泛應用于工業電子、汽車電子、工控儀表儀器、軍工、醫療、網絡通訊、安防、數碼消費類等領域,承接一站式被動元器件配套,我們以優質產品為基礎、完善電子產業鏈為中心、引領電子產業發展為己任,致力服務于全球電子設計制造企業,堅持品質層層把控,矢志成為元器件行業最優秀的配套服務供應商!
企業價值觀:誠信、利他、務實、高效···

點擊咨詢
13510142717